Electroplating resin and 3D printing

Graphite based paint was used to provide electroconductivity to the fully resin 3d printed helmet

A copper sulphate and water solution was used ( as opposed to acid based formular often used.

Biretta Bonnet

stop motion puppet 

This puppet was curved from bolsa

APY15 Trophy 

produced by EC Awards

designed by Oskar WIlson Puppet & Prop

© National Maritime Museum 

Printed using soybean based bio resin

Metal works. Ongoing.. 

Bird works.

Bird puppet

I worked alongside a member of colleges costume departement to create a cow puppet 

puppets. (3d printing + traditional design Ongoing..

leather work: embossing (moving to faux leathers)

 models 

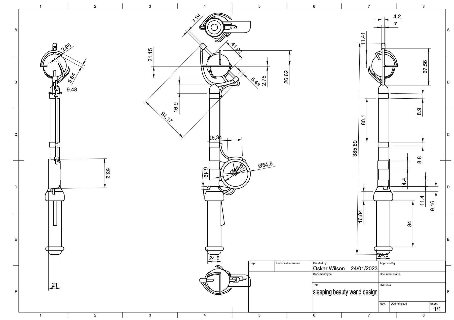
Technical drawing

CAD work. 

Final wand done